x
华亿(中国)官方
关于我们
产品中心
核心能力
工程案例
资讯
联系我们
华亿(中国)官方
关于我们
产品中心
核心能力
工程案例
资讯
联系我们
0512-55237365
产品中心
products
UPVC国标化工管件
当前位置:
华亿(中国)官方
>
产品中心
>
管件阀系列
>
UPVC国标化工管件
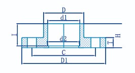
一体法兰
联系我们 +
产品说明
<
上一篇:
90°弯头
下一篇:
外丝直接
>
华亿(中国)官方
关于我们
企业简介
企业荣誉
公司环境
产品中心
板材系列
化工管道系列
给排管道系列
管件阀系列
核心能力
核心能力
工程案例
工程案例
资讯
企业
行业
联系我们
联系我们
在线留言
版权所有:华亿网页版
苏ICP备13029626号-1
【免责声明】
开云官方网站中国有限公司
|
MILAN.COM(中国)有限公司
|
开云官方在线入口
|
开云在线注册
|
开云官方网页版
|
九州平台(中国)有限公司官网
|
MILAN.COM
|
沙巴足球网
|
星空网页版登录入口
|